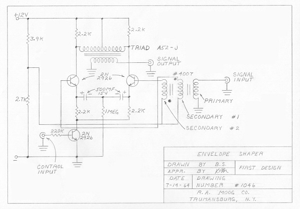
1964 Schematics
July 14, 1964 - Original Pencil Drawing

Next Drawing: Waveform Generator